Descrizione prodotto
Cerniera A Scodellino 35 mm Mezzo Collo 100° Con Basetta 20 Pezzi Emuca
Cerniere per ante progettate per l'utilizzo nei mobili della casa e dell'ufficio con alta qualità e al miglior prezzo. La principale carattestica delle cerniere X91N è che sono uguali a quelle X91 ma senza ammortizzatore. Queste cerniere si utilizzano assieme alle cerniere X91 sulla stessa anta per ridurre l'effetto soft e allo stesso tempo avere una chiusura totale.
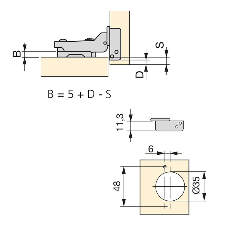
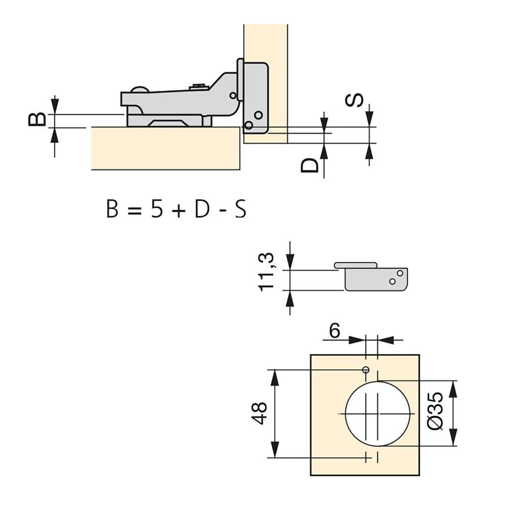
Sono disponibili in collo dritto, mezzo collo e collo alto con apertura dell'anta a 100°. Per la sua istallazione è necessario un foro diametro 35 mm per lo scodellino.Il fissaggio al pannello avviene mediante le viti incluse.
Allo stesso tempo è molto facile l'istallazione grazie al sistema automatico di montaggio a clip della cerniera alla basetta. Inoltre entrambi dispongono di vite eccentrica per una regolazione rapida e comoda.
- Cerniera mezzo collo X91N
- Fissaggio per viti.
- Scodellino con diametro di 35 mm.
- Apertura 100°.
- Si raccomanda di utilizzare insieme cerniere X91 e X91N.
- Sistema automatico di montaggio a clip della cerniera alla basetta.
- Spessore dell'anta da 14 a 24 mm.
- Regolabile tridimensionalmente.
- Tolleranza di foratura dello scodellino D = 3 - 7 mm.
- Regolazione in profondità eccentrica.
- Molla di apertura e chiusura.
- Basetta X91.
- Fissaggio per viti.
- Altezza 0 mm.
- Con regolazione eccentrica.
- Include le viti necessarie per il montaggio.
- Prodotto in accaio nichelato.
Cerniera a Scodellino 35 mm Mezzo Collo 100° con Basetta 20 Pezzi Emuca
€36,
90
€60,90Piano Rate Findomestic
su tutti i prodotti
con decodificazione SSL
Reso facile e veloce fino a 14 giorni
idoneo e sicuro
Descrizione prodotto
Cerniera A Scodellino 35 mm Mezzo Collo 100° Con Basetta 20 Pezzi Emuca
Cerniere per ante progettate per l'utilizzo nei mobili della casa e dell'ufficio con alta qualità e al miglior prezzo. La principale carattestica delle cerniere X91N è che sono uguali a quelle X91 ma senza ammortizzatore. Queste cerniere si utilizzano assieme alle cerniere X91 sulla stessa anta per ridurre l'effetto soft e allo stesso tempo avere una chiusura totale.
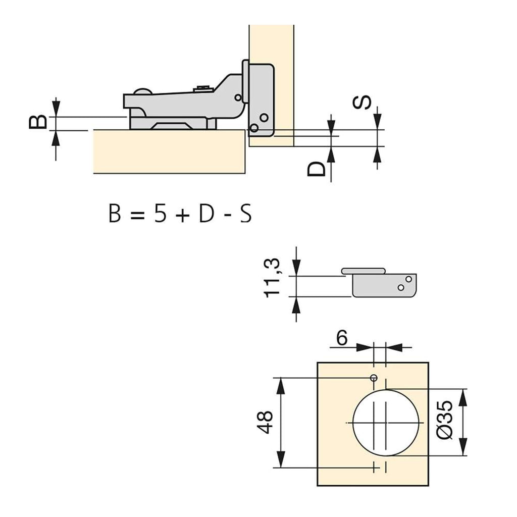
Sono disponibili in collo dritto, mezzo collo e collo alto con apertura dell'anta a 100°. Per la sua istallazione è necessario un foro diametro 35 mm per lo scodellino.Il fissaggio al pannello avviene mediante le viti incluse.
Allo stesso tempo è molto facile l'istallazione grazie al sistema automatico di montaggio a clip della cerniera alla basetta. Inoltre entrambi dispongono di vite eccentrica per una regolazione rapida e comoda.
- Cerniera mezzo collo X91N
- Fissaggio per viti.
- Scodellino con diametro di 35 mm.
- Apertura 100°.
- Si raccomanda di utilizzare insieme cerniere X91 e X91N.
- Sistema automatico di montaggio a clip della cerniera alla basetta.
- Spessore dell'anta da 14 a 24 mm.
- Regolabile tridimensionalmente.
- Tolleranza di foratura dello scodellino D = 3 - 7 mm.
- Regolazione in profondità eccentrica.
- Molla di apertura e chiusura.
- Basetta X91.
- Fissaggio per viti.
- Altezza 0 mm.
- Con regolazione eccentrica.
- Include le viti necessarie per il montaggio.
- Prodotto in accaio nichelato.
